THGT F400 - THGT F200

Axialventilatoren F400 oder F200

Rohr

THGT F400 - THGT F200 Größer anzeigen

THGT F400 - THGT F200

Axialventilatoren F400 oder F200


Rohr

ErP 2015 konform - Ventilator ErP 2015 konform
Ventilator
Europäische Konformität Zugelassen 400°C 2h oder 200°C 2h EASYVENT, OPTAIR® VVTP

  • Robuste Konstruktion
  • Variable Klingen im Stillstand
  • Kurze und lange Zwinge
  • F400-120 zertifiziert in einer Umgebung bei 400 ° C, Gas und Lüfter
  • Durchmesser 1.120, 1.400, 1.600 mm


Anwendung

Absaugung von Dämpfen und heißen Gasen im Brandfall.
Absaugung von sauberer oder staubarmer Luft in Dienstleistungs- und Industrieräumen.
Luftabsaugung und Rauchabsaugung von überdachten Parkplätzen.
Horizontale oder vertikale Installation.

  • Beschreibung

  • Maße

  • Dokumentation

  • Öffentlicher Preis

  • Software

  • Referenzen

Durchflussraten von 1.000 bis 280.000 m3/ h.
2 Modelle: F400 120 zugelassen oder F200 120 zugelassen.
Version mit kurzer Ferrule, Version mit langer Ferrule und breiter Motorzugangsluke als Option.
13 Größen: Ø 400/450/500/560/630/710/800/900/1000/1120/1250/1400 und 1600.
Luftrichtung A (Motor > Lüfter) oder B (Lüfter > Motor).
ErP-Daten in Easyvent verfügbar.

Konstruktion
  • Feuerverzinkte Stahlblechzwinge, lange einteilige Zwinge für die Größen 400 bis 800 und zweiteilige für die Größen 900 bis 1600.
  • Hocheffizienter Propeller aus eingespritztem Aluminium, der gemäß ISO 1940 dynamisch ausgewuchtet ist. 3, 5, 6, 7, 9 oder 12 Blätter mit variablen Neigungswinkeln im Stillstand, um alle Durchfluss- / Druckanforderungen präzise zu erfüllen.
  • Optionaler externer Anschlusskasten ab 55 kW.
  • Die Größen 1400 und 1600 in langen Ferrulen werden mit Füßen für den horizontalen Luftstrom geliefert.

Motorisierung
  • Dreiphasen-Asynchronmotor in direkter Kopplung mit dem Propeller, ohne Wärmeschutz, Services S1 und S2.
  • Steuerung durch Frequenzänderung möglich.

THGT F400:
  • 1-Gang-Motor an den Beinen B3, IP55, Klasse H:
    • dreiphasige 2-, 4- oder 6-polige 230 / 400V, 50 / 60Hz * bis 3 kW.
    • dreiphasige 2-, 4- oder 6-polige 400 V, 50 Hz über 3 kW.
  • 2-Gang-Motor (Dahlander-Wicklungen) mit Füßen B3, IP55, Klasse H:
    • dreiphasige 2/4, 4/8 oder 6/12 Pole 400V, 50Hz.

THGT F200:
  • 1-Gang-Motor an den Beinen B3, IP55, Klasse F:
    • dreiphasige 2-, 4- oder 6-polige 230 / 400V, 50 / 60Hz * bis 3 kW.
    • dreiphasige 2-, 4- oder 6-polige 400 V, 50 Hz über 3 kW.
  • 2-Gang-Motor (Dahlander-Wicklungen) mit Füßen B3, IP55, Klasse F:
    • dreiphasige 2/4, 4/8 oder 6/12 Pole 400V, 50Hz.

* nach Eigenschaften


Auswahl der Rauchabzugsventilatoren

THGT 400 bis 1250
Kurze Zwinge (C)
THGT bis 800
Lange Zwinge (LK)
THGT 900 bis 1250
Lange Zwinge (LPK)


THGT 1400 und 1600
Kurze Zwinge (CK)
THGT 1400 und 1600
Lange Zwinge (LPK)


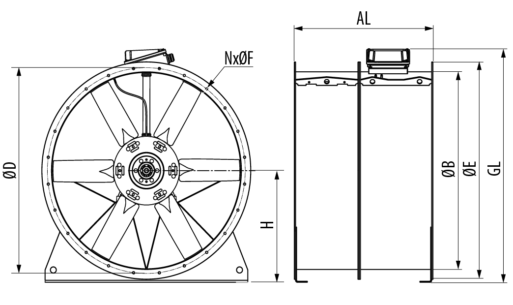
Schnitt AC AL B C D E F G GL H N
400 250 380 400 402 450 487 12 558 - - 8
450 250 480 450 457 500 537 12 613 - - 8
500 250 480 500 467 560 595 12 662 - - 12
560 280 600 560 564 620 655 12 726 - - 12
630 280 700 * 630 564 690 725 12 795 - - 12
710 380 600 710 564 770 806 12 849 - - 16
800 380 600 800 564 860 896 12 940 - - 16
900 450 750 900 737 970 1005 15 1045 - - 16
1000 450 780 1000 767 1070 1105 15 1145 - - 16
1120 500 1150 1120 950 * 1190 1225 15 1268 - - 20
1250 625 * 1175 * 1250 950 * 1320 1358 * 15 1505 * - - 20
1400 625 * 1175 1400 1130 1470 1512 15 1659 1663 781 20
1600 625 * 1275 * 1600 1250 1680 1772 20 1900 1910 910 24

* Abmessung entsprechend dem größten für den Bereich verfügbaren Motor. Siehe Easyvent.

EASYVENT
Greifen Sie online auf die Software zu Medien gesperrt
ALLE ANWENDUNGEN
LOGO_EASYVENT-WEB-bord-blanc.jpg Auswahl an Ventilatoren und Klimageräten
  • Erstellung kompletter technischer Datenblätter mit thermischen Daten (CTA), Ventilatorbetriebspunkten, akustischen Eigenschaften und Maßplänen.
Weitere Produkte: permanente Updates
BSP F400
CAB ECOWATT
CAD HR SLIM
CAD O INTEGRAL
CBM
CBM RE
CGT
CAT N F400
CHGT F400 - CHGT F300
CHRB/TN - CRVB/TN
CMB - CMT
CRHB-CRVB ECOWATT
BTC
CVAB N - CVAT N
CVAB N - CVAT N ECOWATT
FR F400
HCTB - HCTT - HCTT ATEX
HDB ATEX
HGHT F400 / F200
HGTT-V
HXBR - HXTR
HXBR ECOWATT
KABB - KABT
PURE KLASSE
TCBB - TCBT
TCTB ATEX - TGT ATEX
TCDH ATEX
TD - TD ECOWATT
TD ATEX
TD SILENT - TD SILENT ECOWATT
TGHT F400 - THGT F200
TGT
TGT ATEX
THC - THC ECOWATT
THGT HATCH F400
TRB - TREB
TXBR ECOWATT
ECOWATT-WIND
VENT-NK - VENT-VN


OPTAIR VVTP
OPTAIR VVTP herunterladen Medien gesperrt
Bei eventuellen Betriebsproblemen senden Sie Ihre Anfrage bitte per E-Mail an optair@vim.fr
VMC RAUCH-AUSPUFF
OPTAIR-VVTP.png

Durchflussberechnung Belüftung eines geschützten technischen Raums

  • Berechnung auf Basis des Entrauchungsvolumenstroms, der installierten Absaugung, des Kanalnetzes und der Raumbeschaffenheit.
  • Erleichtert die Optimierung der Durchflussraten durch Anpassung der verschiedenen Parameter
  • Auswahl an Lufteinlassgittern oder Jalousien.
  • Zusammenfassung der technischen Datenblätter.
Fans

Gitter
AEROPORT TERMINAL 1 - SAINT EXUPERY - LYON

Schließen Öffnen AEROPORT TERMINAL 1 - SAINT EXUPERY - LYON

Flughäfen

69 - Rhône

CITE DES CONGRES VALENCIENNES METROPOLE

Schließen Öffnen CITE DES CONGRES VALENCIENNES METROPOLE

Konzerthallen

59 - Norden

CLUB MED ALPES D'HUEZ

Schließen Öffnen CLUB MED ALPES D'HUEZ

Hotelresidenzen

38 - Isère

COMPLEXE PIERRES VIVES - MONTPELLIER

Schließen Öffnen COMPLEXE PIERRES VIVES - MONTPELLIER

Medienbibliothek

34 - Herault

GRAND STADE - LILLE

Schließen Öffnen GRAND STADE - LILLE

Stadien

59 - Norden

HANGAR 108

Schließen Öffnen HANGAR 108

Verwaltungen

76 - Seine-Maritime

HOTEL ROYAL HAINAUT - VALENCIENNES

Schließen Öffnen HOTEL ROYAL HAINAUT - VALENCIENNES

Hotels

59 - Norden

PARKING ANTONIN PONCET (702 PLACES) - LYON

Schließen Öffnen PARKING ANTONIN PONCET (702 PLACES) - LYON

Tertiärparkplätze

69 - Rhône

PARKING HOTEL DE VILLE - POITIERS

Schließen Öffnen PARKING HOTEL DE VILLE - POITIERS

Tertiärparkplätze

86 - Wien


Installierte Produkte:


PARKING ST ANTOINE (787 PLACES) - LYON

Schließen Öffnen PARKING ST ANTOINE (787 PLACES) - LYON

Tertiärparkplätze

69 - Rhône

X