Rechercher un produit :
Nouveau produit
| Conforme ErP 2018 - UVR - Moteurs 3 vitesses | ||||
Description
Dimensions
Documentation
Prix Public
Logiciel
Les références

| Caisson | Fixations | Position piquage |
PACK PR (Option) |
BDEZ (Option) | Poids (Kg) |
||||||||
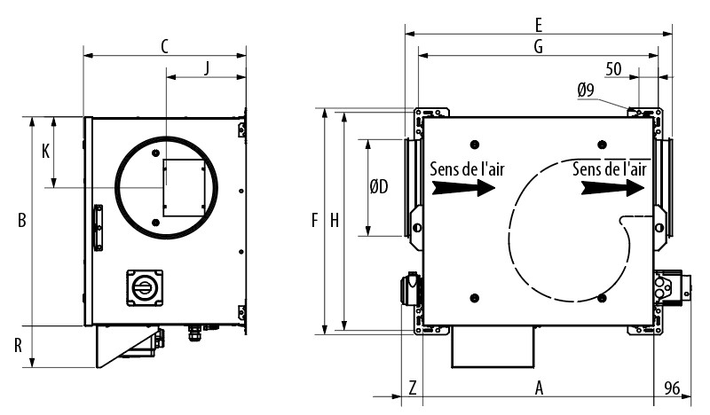
| Taille | A | B | C | Ø D | E | F | G | H | J | K | R | Z | |
| KMDT 02 NU | 321 | 343 | 232 | 125 | 401 | 390 | 344 | 368 | 112 | 107 | / | 56 | 9,5 |
| KMDT 05 NU | 410 | 434 | 236 | 160 | 486 | 478 | 434 | 456 | 115 | 113 | 108 | 56 | 13 |
| KMDT 08 NU | 438 | 488 | 353 | 250 | 555 | 532 | 462 | 510 | 158 | 148 | 108 | 56 | 17,1 |
| KMDT 02 IS | 336 | 349 | 258 | 125 | 411 | 395 | 358 | 373 | 127 | 111 | 108 | 56 | 11,6 |
| KMDT 05 IS | 410 | 472 | 281 | 160 | 486 | 518 | 434 | 496 | 136 | 125 | 108 | 56 | 15,9 |
| KMDT 08 IS | 494 | 494 | 386 | 250 | 609 | 540 | 516 | 518 | 179 | 161 | 108 | 56 | 22,5 |
| KMDT 02 DB | 419 | 441 | 307 | 125 | 483 | 486 | 442 | 464 | 153 | 132 | 108 | 56 | 18,8 |
| KMDT 05 DB | 511 | 531 | 333 | 160 | 587 | 576 | 536 | 554 | 161 | 146 | 108 | 56 | 24,8 |
| KMDT 08 DB | 597 | 541 | 421 | 250 | 691 | 586 | 620 | 564 | 206 | 184 | 108 | 56 | 31,4 |

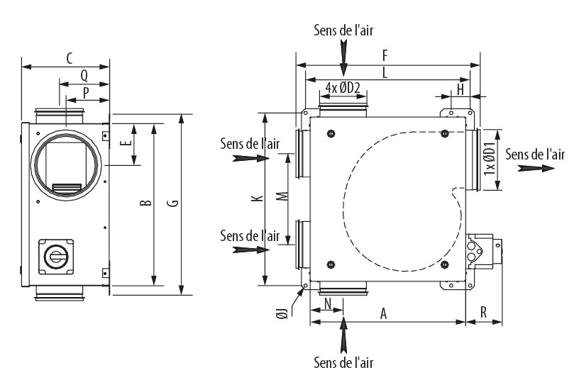
| Caisson | Fixations | Position piquage |
PACK PR (Option) |
BDEZ (Option) | Poids (Kg) |
|||||||||||||
| Taille | A | B | C | Ø D1 | Ø D2 | E | F | G | H | J | K | L | M | N | P | R | Z | |
| KMDT 05 NU | 410 | 472 | 281 | 160 | 125 | 486 | 547 | 434 | 496 | 136 | 126 | 235 | 136 | 174 | 88 | 108 | 56 | 15,9 |
| KMDT 08 NU | 494 | 494 | 386 | 250 | 125 | 589 | 569 | 516 | 518 | 179 | 161 | 220 | 211 | 211 | 104 | 108 | 56 | 22,5 |
| KMDT 05 IS | 410 | 472 | 281 | 160 | 125 | 486 | 547 | 434 | 496 | 136 | 126 | 235 | 136 | 174 | 88 | 108 | 56 | 15,9 |
| KMDT 08 IS | 494 | 494 | 386 | 250 | 125 | 589 | 569 | 516 | 518 | 179 | 161 | 220 | 211 | 211 | 104 | 108 | 56 | 22,5 |
Caractéristiques détaillées
Pages catalogue texte (CT)
Pages catalogue - Autre
Prix tarif public
Pages catalogue prix (CP)
Notices d'installation
Notice installation (NT)
Certificats feu / Désenfumage
Procès verbal de classement au feu (PVFEU)
Certificats Performance / Environnement
Fiche réglementaire ErP (FERP)
Déclaration de performance (DOP)
Certificats Electriques / ATEX
Aide à la prescription
Texte de prescription (TP)
Caractéristiques détaillées
Pages catalogue texte (CT)
Pages catalogue - Autre
Prix tarif public
Pages catalogue prix (CP)
Notices d'installation
Notice installation (NT)
Certificats feu / Désenfumage
Procès verbal de classement au feu (PVFEU)
Certificats Performance / Environnement
Fiche réglementaire ErP (FERP)
Déclaration de performance (DOP)
Certificats Electriques / ATEX
Aide à la prescription
Texte de prescription (TP)
COLLEGE - VALLON PONT D'ARC
Collèges
07 - Ardèche
Produits installés
COMPLEXE PIERRES VIVES - MONTPELLIER
Médiathèque
34 - Hérault
Produits installés
EHPAD PIERRE MEUNIER - LA FOUILLOUSE
Résidences pour personnes agées
42 - Loire
Produits installés
HANGAR 108
Administrations
76 - Seine-Maritime
Produits installés
HOPITAL CARDIO VASCULAIRE PULMONAIRE - LILLE
Hôpitaux
59 - Nord
Produits installés
LA FOLIE DOUCE - MERIBEL
Restauration commerciale indépendante
73 - Savoie
Produits installés
PISCINE ET PATINOIRE MUNICIPALE DE ROYE
Piscines / Centres aquatiques
80 - Somme
Produits installés
RESIDENCE VENDEE HABITAT
Logements en résidence
85 - Vendée
Produits installés